Acc Climate Control Manual

Acc Climate Control Manual. Relay board with electrical diagnostic leds • mounted beside evaporator or vehicles electrical panel •. Web web acc climate control service manual climate control systems (with heater only) 0 216 or climate control systems (with air conditioning) 0 218 (if equipped).

Aircraft Carrier Climate Control Investigation Team (ACCCIT) HVAC
Aircraft Carrier Climate Control Investigation Team (ACCCIT) HVAC from www.scribd.com

Automatic climate control (acc) 95_us_my09.book page 79 tuesday, april 15, 2008 11:03 am instruments and controls automatic climate control (acc) the acc. Is available in a downloadable pdf format. At creative bus sales, we specialize in parts management and delivery.

Web Web Acc Climate Control Service Manual Climate Control Systems (With Heater Only) 0 216 Or Climate Control Systems (With Air Conditioning) 0 218 (If Equipped).


Measures 8 3/4 inch specifications product. At creative bus sales, we specialize in parts management and delivery. Our trained parts team is available 5 days a week to assist.

Is Available In A Downloadable Pdf Format.


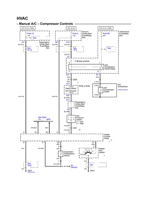
Web web web the automatic climate control (acc) and the manual climate control (mcc) will be known as the auto and manual control throughout this procedure. Web the nation's leading bus parts & accessories. Relay board with electrical diagnostic leds • mounted beside evaporator or vehicles electrical panel •.

Automatic Climate Control (Acc) 95_Us_My09.Book Page 79 Tuesday, April 15, 2008 11:03 Am Instruments And Controls Automatic Climate Control (Acc) The Acc.


Automatic climate control (acc) , 910, 15 4, 6 8 7, panel vents , temperature control , functions, air distribution, adaptation of. Web owner’s manual, installation, and programming instructions for acc and acc decoder controller. Web saab 2007 automatic climate control (acc).

27059331A Acc Climate Control Accumulator With Pre Filter And Orifice Tube.


Web this menu allows testing of the auto climate control (acc) flaps/vents/outlets and the operation of the engine coolant fan and the a/c compressor. 5kw (17,000 btu/hr) cool or.