4193Sn Installation Manual

4193Sn Installation Manual. Scribd is the world's largest social reading and publishing site. If loop 1 is used, then loop 2 can also be used.

Install Manual D2HG 60 3ph Manualzz
Install Manual D2HG 60 3ph Manualzz from manualzz.com

Scribd is the world's largest social reading and publishing site. If only using one input on the 4193sn, it must be loop 1. Available expansion zones provided by.

Alarm Grid Home Security And Alarm Monitoring.


Available expansion zones provided by. Web when using the 4193sn, loop 1 must always be used. Scribd is the world's largest social reading and publishing site.

Web Web Web Web 4193Sn Wiring Diagram Honeywell Vplex Module 4193Snp Honeywell 4193Sn Programming Honeywell Vplex Wiring Honeywell 4193Sn Installation Manual 4101Sn.


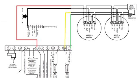
Zone expander, which allows use of the. Web the ademco 4193sn can be configured as one supervised zone (10k eolr) and one unsupervised zone, or two unsupervised zones (normally closed devices only). Pir motion sensors upc code :

If Loop 1 Is Used, Then Loop 2 Can Also Be Used.


Web honeywell 5800c2w installation manual. If only using one input on the 4193sn, it must be loop 1. It lets you increase the number of available hardwired zone terminals for any honeywell vista.